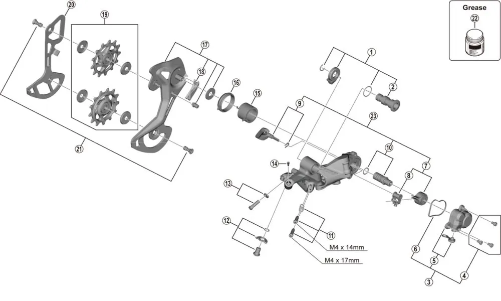
Alle Shimano XTR RD M9100 Schaltwerk Ersatzteile

Ersatzteile Shimano XTR RD-M9100 Schaltwerk

Ersatzteile Shimano XTR RD-M9100 Schaltwerk

Ersatzteile Shimano XTR RD-M9100 Schaltwerk



Alle Shimano XTR RD M9100 Schaltwerk Ersatzteile

Ersatzteile Shimano XTR RD-M9100

Alle Ersatzteile sind bei uns unter den unten stehenden Artikelnummern zu finden.

Shimano XTR RD-M9100 Schaltwerk Ersatzteile:

  • Nr 1 : Y3FA98010 - Achs-Einheit für Schaltwerk-Halter
  • Nr 2 : Y3FA42000 - Achse für Schaltwerk-Halter
  • Nr 3 : Y3FA98020 - Gehäuseabdeckung komplett
  • Nr 4 : Y5Y198070 - Schrauben für Gehäuseabdeckung
  • Nr 5 : Y3FA98030 - Gehäuseabdeckung + Kappe
  • Nr 6 : Y3FA63000 - Dichtring für Gehäuseabdeckung
  • Nr 7 : Y3GF98040 - Stabilisator-Einheit
  • Nr 8 : Y3E498040 - Nocken-Einheit
  • Nr 9 : Y3FA98040 - Schalthebel-Einheit
  • Nr 10 : Y5PV98060 - Schaltachs-Einheit
  • Nr 11 : Y3FA98050 - Anschlagschrauben komplett
  • Nr 12 : Y3FA98060 - Schaltzug-Klemmschraube komplett
  • Nr 13 : Y5PV98070 - Einstellschraube komplett für Spannfeder
  • Nr 14 : Y5PV48000 - Nase für Schaltzug-Klemmschraube
  • Nr 15 : Y3FA55000 - Spannfeder
  • Nr 16 : Y3FA62000 - Dichtring für Spannfeder
  • Nr 17 : Y3FA98070 - Kettenleitblech GS aussen komplett
  • Nr 17 : Y3FA98080 - Kettenleitblech SGS aussen komplett
  • Nr 18 : Y3FA59000 - Anschlagsschutz für Kettenleitblech GS/SGS aussen
  • Nr 19 : Y3FA98090 - Schaltrollen Satz
  • Nr 20 : Y3FA16000 - Kettenleitblech GS innen
  • Nr 20 : Y3FA26000 - Kettenleitblech SGS innen
  • Nr 21 : Y5XX98130 - Schaltrollenschrauben
  • Nr 22 : Y0412080A - Spezialfett für Stabilisator
  • Nr 23 : Y3FA98100 - Stabilisator-Kit-Einheit

Herstellerinformation: SHIMANO INC., 3-77 Oimatsu-cho, Sakai-ku, Sakai-shi, Osaka 590-8577, Japan, www.shimano.com | Kontakt EU: Shimano Europe BV, High Tech Campus 92, 5656 AG Eindhoven, The Netherlands, www.shimano.com


Ersatzteile Shimano Deore XT RD-M8100 Schaltwerk
Lieferzeit : Artikel ist bestellt
0,00 €

inkl. 19 % MwSt. zzgl. Versandkosten
Ersatzteile Shimano XTR RD-M9120 Schaltwerk
Lieferzeit : Artikel ist bestellt
0,00 €

inkl. 19 % MwSt. zzgl. Versandkosten
Shimano Deore XT RD-M8260-12 E-Bike Di2 Schaltwerk wireless | long Cage 12-fach max 51 Zähne
Lieferzeit : Artikel ist bestellt
UVP : 514,95 € 449,90 €Ersparnis - 65,05 € zum UVP

inkl. 19 % MwSt. zzgl. Versandkosten
Shimano XTR Di2 Schaltwerk RD-M9250-GS medium Cage 12-fach max 45 Zähne ohne Akku
Lieferzeit : Artikel ist bestellt
UVP : 664,95 € 599,90 €Ersparnis - 65,05 € zum UVP

inkl. 19 % MwSt. zzgl. Versandkosten
Shimano XTR Di2 Schaltwerk RD-M9250-SGS long Cage 12-fach max 51 Zähne ohne Akku
Lieferzeit : Artikel ist bestellt
UVP : 664,95 € 599,90 €Ersparnis - 65,05 € zum UVP

inkl. 19 % MwSt. zzgl. Versandkosten
Shimano Deore XT RD-M8260-11 E-Bike Di2 Schaltwerk wireless | long Cage Linkglide 11-fach max 51 Zähne
Lieferzeit : Artikel ist bestellt
UVP : 514,95 € 449,90 €Ersparnis - 65,05 € zum UVP

inkl. 19 % MwSt. zzgl. Versandkosten
Shimano XTR Di2 12-fach E-Bike Schaltwerk RD-M9260-12 long Cage max 51 Zähne
Lieferzeit : Artikel ist bestellt
UVP : 694,95 € 629,90 €Ersparnis - 65,05 € zum UVP

inkl. 19 % MwSt. zzgl. Versandkosten
Shimano XTR Di2 E-Bike Schaltwerk RD-M9260-11 Linkglide 11-fach max 51 Zähne
Lieferzeit : Artikel ist bestellt
UVP : 694,95 € 629,90 €Ersparnis - 65,05 € zum UVP

inkl. 19 % MwSt. zzgl. Versandkosten
Shimano Deore RD-M6250-SGS Di2 Schaltwerk wireless | long Cage 12-fach max 51 Zähne ohne Akku
Lieferzeit : Artikel ist bestellt
UVP : 424,95 € 384,90 €Ersparnis - 40,05 € zum UVP

inkl. 19 % MwSt. zzgl. Versandkosten
Shimano Deore RD-M6260-12 E-Bike Di2 Schaltwerk wireless | long Cage 12-fach max 51 Zähne
Lieferzeit : 1 - 5 Werktage
UVP : 414,95 € 386,80 €Ersparnis - 28,15 € zum UVP

inkl. 19 % MwSt. zzgl. Versandkosten
Shimano Deore XT RD-M8250-SGS Di2 Schaltwerk wireless | long Cage 12-fach max 51 Zähne ohne Akku
Lieferzeit : 1 - 5 Werktage
UVP : 494,95 € 449,90 €Ersparnis - 45,05 € zum UVP

inkl. 19 % MwSt. zzgl. Versandkosten
Shimano Deore XT RD-M8250-GS Di2 Schaltwerk wireless | medium Cage 12-fach max 45 Zähne ohne Akku
Lieferzeit : Artikel ist bestellt
UVP : 494,95 € 449,90 €Ersparnis - 45,05 € zum UVP

inkl. 19 % MwSt. zzgl. Versandkosten
Shimano XTR Di2 12-fach Schalthebel SW-M9250-R
Lieferzeit : 1 - 5 Werktage
UVP : 234,95 € 199,90 €Ersparnis - 35,05 € zum UVP

inkl. 19 % MwSt. zzgl. Versandkosten
Shimano XTR Di2 12-fach Schalthebel SW-M9250-IR I-Spev EV
Lieferzeit : Artikel ist bestellt
UVP : 234,95 € 199,90 €Ersparnis - 35,05 € zum UVP

inkl. 19 % MwSt. zzgl. Versandkosten
Shimano Deore SW-M6250-R Di2 Schalthebel wireless | 12-fach rechts Klemme 22,2mm
Lieferzeit : Artikel ist bestellt
UVP : 144,95 € 114,90 €Ersparnis - 30,05 € zum UVP

inkl. 19 % MwSt. zzgl. Versandkosten
Shimano Deore SW-M6250-IR Di2 Schalthebel wireless | 12-fach rechts I-Spev EV
Lieferzeit : Artikel ist bestellt
UVP : 144,95 € 114,90 €Ersparnis - 30,05 € zum UVP

inkl. 19 % MwSt. zzgl. Versandkosten
Shimano Deore XT SW-M8250-R Di2 Schalthebel wireless | 12-fach rechts Klemme 22,2mm
Lieferzeit : 1 - 5 Werktage
UVP : 194,95 € 159,90 €Ersparnis - 35,05 € zum UVP

inkl. 19 % MwSt. zzgl. Versandkosten
Shimano Deore XT SW-M8250-IR Di2 Schalthebel wireless | 12-fach rechts I-Spev EV
Lieferzeit : Artikel ist bestellt
UVP : 194,95 € 159,90 €Ersparnis - 35,05 € zum UVP

inkl. 19 % MwSt. zzgl. Versandkosten
Shimano XTR Schaltwerk RD-M9100 GS 12-fach Shadow Plus medium Cage
Lieferzeit : 1 - 5 Werktage
UVP : 244,95 € 239,90 €Ersparnis - 5,05 € zum UVP

inkl. 19 % MwSt. zzgl. Versandkosten
Shimano XTR Schaltwerk RD-M9100 SGS 12-fach Shadow Plus long Cage
Lieferzeit : 1 - 5 Werktage
UVP : 284,95 € 249,90 €Ersparnis - 35,05 € zum UVP

inkl. 19 % MwSt. zzgl. Versandkosten
Toppreis
Shimano XTR Schaltwerk RD-M9120 SGS 12-fach Shadow Plus long Cage
Lieferzeit : 1 - 5 Werktage
UVP : 284,95 € Top Preis 194,90 € Ersparnis - 90,05 € zum UVP

inkl. 19 % MwSt. zzgl. Versandkosten
Toppreis
Shimano XT Schaltwerk RD-M8100 SGS 12x1-fach Shadow Plus long Cage max 51 Zähne
Lieferzeit : Artikel ist bestellt
UVP : 134,95 € Top Preis 96,90 € Ersparnis - 38,05 € zum UVP

inkl. 19 % MwSt. zzgl. Versandkosten
Toppreis
Shimano XT Schaltwerk RD-M8120 SGS 12x2-fach Shadow Plus long Cage
Lieferzeit : 3 - 7 Werktage
UVP : 134,95 € Top Preis 96,90 € Ersparnis - 38,05 € zum UVP

inkl. 19 % MwSt. zzgl. Versandkosten
Toppreis
Shimano XT Schaltwerk RD-M8100 GS 12x1-fach Shadow Plus medium Cage max 45 Zähne
Lieferzeit : 3 - 7 Werktage
UVP : 134,95 € Top Preis 96,90 € Ersparnis - 38,05 € zum UVP

inkl. 19 % MwSt. zzgl. Versandkosten
Shimano Di2 Ladegerät EC-DN100 für Akku BT-DN320
Lieferzeit : Artikel ist bestellt
UVP : 56,95 € 44,90 €Ersparnis - 12,05 € zum UVP

inkl. 19 % MwSt. zzgl. Versandkosten
Shimano Di2 Akku BT-DN320 | 12-fach Di2 wireless Schaltwerke
Lieferzeit : Artikel ist bestellt
UVP : 63,95 € 42,90 €Ersparnis - 21,05 € zum UVP

inkl. 19 % MwSt. zzgl. Versandkosten
Shimano Deore SLX Schaltröllchen Set 12-fach
Lieferzeit : 1 - 5 Werktage
UVP : 9,95 € 7,90 €Ersparnis - 2,05 € zum UVP

inkl. 19 % MwSt. zzgl. Versandkosten
Shimano XTR Schaltröllchen Set 12-fach
Lieferzeit : 1 - 5 Werktage
UVP : 32,95 € 24,90 €Ersparnis - 8,05 € zum UVP

inkl. 19 % MwSt. zzgl. Versandkosten
Toppreis
Shimano Deore XT Schaltröllchen Set 12-fach
Lieferzeit : 1 - 5 Werktage
UVP : 16,95 € Top Preis 12,90 € Ersparnis - 4,05 € zum UVP

inkl. 19 % MwSt. zzgl. Versandkosten
Shimano Di2 Verbindungskabel EW-PS300 - Bosch BES3 Länge 1600 mm
Lieferzeit : 1 - 5 Werktage
94,95 €

inkl. 19 % MwSt. zzgl. Versandkosten
Shimano Di2 Verbindungskabel EW-PS300 - Bosch BES3 Länge 1000 mm
Lieferzeit : 1 - 5 Werktage
85,95 €

inkl. 19 % MwSt. zzgl. Versandkosten
Toppreis
Shimano Deore XT RD-M8100 Schaltwerk Ersatzteil | Kettenleitblech SGS innen Nr 19
Lieferzeit : 1 - 5 Werktage
UVP : 9,95 € Top Preis 8,90 € Ersparnis - 1,05 € zum UVP

inkl. 19 % MwSt. zzgl. Versandkosten
Toppreis
Shimano Deore XT RD-M8100 Schaltwerk Ersatzteil | Kettenleitblech SGS aussen komplett Nr 16
Lieferzeit : 1 - 5 Werktage
UVP : 17,95 € Top Preis 14,90 € Ersparnis - 3,05 € zum UVP

inkl. 19 % MwSt. zzgl. Versandkosten
Shimano Deore XT / SLX Schaltwerk Ersatzteil | Anschlagschrauben + Platte Nr 11
Lieferzeit : 1 - 5 Werktage
4,95 €

inkl. 19 % MwSt. zzgl. Versandkosten
Shimano Deore XT RD-M8100 Schaltwerk Ersatzteil | Gehäuseabdeckung + Kappe Nr 5
Lieferzeit : 1 - 5 Werktage
4,95 €

inkl. 19 % MwSt. zzgl. Versandkosten
Shimano XTR RD-M9120 Schaltwerk Ersatzteil | Achse für Schaltwerk-Halter Nr 2
Lieferzeit : Artikel ist bestellt
14,95 €

inkl. 19 % MwSt. zzgl. Versandkosten
Shimano XTR RD-M9100 Schaltwerk Ersatzteil | Gehäuseabdeckung komplett Nr 3
Lieferzeit : 1 - 5 Werktage
10,95 €

inkl. 19 % MwSt. zzgl. Versandkosten
Shimano XTR RD-M9100 schaltwerk Ersatzteil | Gehäuseabdeckung + Kappe Nr 5
Lieferzeit : Artikel ist bestellt
7,95 €

inkl. 19 % MwSt. zzgl. Versandkosten
Shimano XTR / XT / SLX / GRX Schaltwerk Ersatzteil | Schalthebel-Einheit Nr 9
Lieferzeit : 1 - 5 Werktage
5,95 €

inkl. 19 % MwSt. zzgl. Versandkosten
Shimano XTR RD-M9100 Schaltwerk Ersatzteil | Anschlagschrauben komplett Nr 11
Lieferzeit : 1 - 5 Werktage
4,95 €

inkl. 19 % MwSt. zzgl. Versandkosten
Shimano XTR RD-M9100 Schaltwerk Ersatzteil | Schaltzug-Klemmschraube komplett Nr 12
Lieferzeit : Artikel ist bestellt
4,95 €

inkl. 19 % MwSt. zzgl. Versandkosten
Shimano XTR / XT / SLX / Deore Schaltwerk Ersatzteil | Spannfeder für Schaltarm
Lieferzeit : 1 - 5 Werktage
4,95 €

inkl. 19 % MwSt. zzgl. Versandkosten
Shimano XTR RD-M9100 Schaltwerk Ersatzteil | Kettenleitblech GS aussen komplett Nr 17
Lieferzeit : Artikel ist bestellt
69,95 €

inkl. 19 % MwSt. zzgl. Versandkosten
Shimano XTR RD-M9100 Schaltwerk Ersatzteil | Kettenleitblech SGS aussen komplett Nr 17
Lieferzeit : Artikel ist bestellt
74,95 €

inkl. 19 % MwSt. zzgl. Versandkosten
Shimano XTR RD-M9100 Schaltwerk Ersatzteil | Kettenleitblech GS innen Nr 20
Lieferzeit : 1 - 5 Werktage
9,95 €

inkl. 19 % MwSt. zzgl. Versandkosten
Shimano XTR RD-M9100 / RD-M9120 Schaltwerk Ersatzteil | Kettenleitblech SGS innen
Lieferzeit : Artikel ist bestellt
9,95 €

inkl. 19 % MwSt. zzgl. Versandkosten
Shimano XTR / XTR Di2 Schaltwerk 11-fach Ersatzteil | Schaltröllchenschrauben
Lieferzeit : Artikel ist bestellt
5,95 €

inkl. 19 % MwSt. zzgl. Versandkosten
Shimano XTR RD-M9120 Schaltwerk Ersatzteil | Gehäuseabdeckung komplett Nr 3
Lieferzeit : Artikel ist bestellt
11,95 €

inkl. 19 % MwSt. zzgl. Versandkosten
Shimano XTR RD-M9120 Schaltwerk Ersatzteil | Gehäuseabdeckung + Kappe Nr 5
Lieferzeit : 1 - 5 Werktage
8,95 €

inkl. 19 % MwSt. zzgl. Versandkosten
Shimano XTR RD-M9120 Schaltwerk Ersatzteil | Schalthebel-Einheit Nr 9
Lieferzeit : Artikel ist bestellt
6,95 €

inkl. 19 % MwSt. zzgl. Versandkosten
Shimano XTR RD-M9120 Schaltwerk Ersatzteil | Anschlagschrauben komplett Nr 11
Lieferzeit : Artikel ist bestellt
7,95 €

inkl. 19 % MwSt. zzgl. Versandkosten
Shimano XTR RD-M9120 Schaltwerk Ersatzteil | Schaltzug-Klemmschraube komplett Nr 12
Lieferzeit : Artikel ist bestellt
4,95 €

inkl. 19 % MwSt. zzgl. Versandkosten
Shimano Deore XT RD-M8100 Schaltwerk Ersatzteil | Gehäuse-Einheit Nr 3
Lieferzeit : 1 - 5 Werktage
6,95 €

inkl. 19 % MwSt. zzgl. Versandkosten
Shimano Deore XT RD-M8100 Schaltwerk Ersatzteil | Anschlagsschutz GS / SGS Nr 17
Lieferzeit : 1 - 5 Werktage
1,95 €

inkl. 19 % MwSt. zzgl. Versandkosten
Shimano Deore XT RD-M8100 Schaltwerk Ersatzteil | Kettenleitblech GS innen Nr 19
Lieferzeit : 1 - 5 Werktage
9,95 €

inkl. 19 % MwSt. zzgl. Versandkosten
Shimano XTR / XT / SLX Schaltwerk 12-fach Ersatzteil | Anschlagschutz
Lieferzeit : Artikel ist bestellt
2,95 €

inkl. 19 % MwSt. zzgl. Versandkosten
Alle Hersteller anzeigen