Menü Anmelden Kontakt - NEU - % SALE %

Shimano XTR RD M985 Schaltwerk Ersatzteil, Stabilisator für Schalter

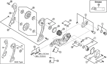
Shimano XTR RD-M985 Schaltwerk Ersatzteil | Stabilisator für Schalter Nr 9

Shimano XTR RD-M985 Schaltwerk Ersatzteil | Stabilisator für Schalter Nr 9

Shimano XTR RD-M985 Schaltwerk Ersatzteil | Stabilisator für Schalter Nr 9

Art.Nr.: Y5XD35000, RDM985
GTIN/EAN: 04524667983408
Lieferzeit : Artikel ist bestellt
Preis: 1,95 €
inkl. 19 % MwSt. zzgl. Versandkosten



Shimano XTR RD M985 Schaltwerk Ersatzteil, Stabilisator für Schalter

Ersatzteil Shimano XTR RD-M985

Im Lieferumfang Nr 9 der Explosionszeichnung.

Shimano XTR RD-M985 Schaltwerk Ersatzteile:

  • Nr 1 : Y5XC98010 - Achse komplett für Schaltwerk-Halter
  • Nr 2 : Y5XC98020 - Schaltwerk-Halter komplett
  • Nr 3 : Y5XD98010 - Gehäuseabdeckung komplett
  • Nr 4 : Y5XD98020 - Schrauben für Gehäuseabdeckung
  • Nr 5 : Y5XD20000 - Gehäuseabdeckung
  • Nr 6 : Y5XD21000 - Dichtring für Gehäuseabdeckung
  • Nr 7 : Y5XD98030 - Stabilisator-Einheit komplett
  • Nr 8 : Y5XD38000 - Dichtring für Schaltachse
  • Nr 9 : Y5XD35000 - Stabilisator für Schalter
  • Nr 10 : Y5XD98050 - Schaltachse + O-Ring
  • Nr 11 : Y5XC98040 - Einstellschraube für Spannfeder
  • Nr 12 : Y5XC98050 - Schaltzug-Klemmschraube + Platte
  • Nr 13 : Y5WJ98020 - Anschlagschrauben + Platte
  • Nr 14 : Y5XD98070 - Schalthebel-Einheit komplett
  • Nr 15 : Y5XD19000 - Spannfeder
  • Nr 16 : Y5XD15000 - Dichtring für Spannfeder
  • Nr 17 : Y5XD98090 - Kettenleitblech GS aussen komplett
  • Nr 17 : Y5XD98100 - Kettenleitblech SGS aussen komplett
  • Nr 18 : Y5XC98110 - Schaltrollen Satz
  • Nr 19 : Y5XC09000 - Kettenleitblech GS innen
  • Nr 19 : Y5XC10000 - Kettenleitblech SGS innen
  • Nr 20 : Y5WJ21000 - Schaltrollenschraube oben
  • Nr 21 : Y5XC98100 - Schaltrollenschraube unten + Stop-Ring
  • Nr 22 : Y04120800 - Spezialfett für Stabilisator

Herstellerinformation: SHIMANO INC., 3-77 Oimatsu-cho, Sakai-ku, Sakai-shi, Osaka 590-8577, Japan, www.shimano.com | Kontakt EU: Shimano Europe BV, High Tech Campus 92, 5656 AG Eindhoven, The Netherlands, www.shimano.com


Ersatzteile Shimano XTR RD-M980 10-fach Schaltwerk
Lieferzeit : Artikel ist bestellt
0,00 €

inkl. 19 % MwSt. zzgl. Versandkosten
Ersatzteile Shimano Deore XT RD-M786 10-fach Schaltwerk
Lieferzeit : Artikel ist bestellt
0,00 €

inkl. 19 % MwSt. zzgl. Versandkosten
Ersatzteile Shimano Deore XT RD-M780 10-fach Schaltwerk
Lieferzeit : Artikel ist bestellt
0,00 €

inkl. 19 % MwSt. zzgl. Versandkosten
Ersatzteile Shimano Deore XT RD-M772 9-fach Schaltwerk
Lieferzeit : Artikel ist bestellt
0,00 €

inkl. 19 % MwSt. zzgl. Versandkosten
Ersatzteile Shimano Deore XT RD-M770 + RD-M771 9-fach Schaltwerk
Lieferzeit : Artikel ist bestellt
0,00 €

inkl. 19 % MwSt. zzgl. Versandkosten
Ersatzteile Shimano XTR RD-M9000 Schaltwerk
Lieferzeit : Artikel ist bestellt
0,00 €

inkl. 19 % MwSt. zzgl. Versandkosten
Ersatzteile Shimano XTR Di2 RD-M9050 Schaltwerk
Lieferzeit : Artikel ist bestellt
0,00 €

inkl. 19 % MwSt. zzgl. Versandkosten
Ersatzteile Shimano Deore XT SL-M8000 Schalthebel
Lieferzeit : Artikel ist bestellt
0,00 €

inkl. 19 % MwSt. zzgl. Versandkosten
Ersatzteile Shimano XTR SLM9000 Schalthebel
Lieferzeit : Artikel ist bestellt
0,00 €

inkl. 19 % MwSt. zzgl. Versandkosten
Ersatzteile Shimano XTR SL-M9100-I Schalthebel
Lieferzeit : Artikel ist bestellt
0,00 €

inkl. 19 % MwSt. zzgl. Versandkosten
Ersatzteile Shimano Saint RD-M820 10-fach Schaltwerk
Lieferzeit : Artikel ist bestellt
0,00 €

inkl. 19 % MwSt. zzgl. Versandkosten
Ersatzteile Shimano Deore XT RD-M781 Schaltwerk 10-fach
Lieferzeit : Artikel ist bestellt
0,00 €

inkl. 19 % MwSt. zzgl. Versandkosten
Ersatzteile Shimano Deore XT Di2 SW-M8050 Schalthebel
Lieferzeit : Artikel ist bestellt
0,00 €

inkl. 19 % MwSt. zzgl. Versandkosten
Ersatzteile Shimano XTR SL-M9100 Schalthebel
Lieferzeit : Artikel ist bestellt
0,00 €

inkl. 19 % MwSt. zzgl. Versandkosten
Ersatzteile Shimano XTR RD-M985 Schaltwerk
Lieferzeit : Artikel ist bestellt
0,00 €

inkl. 19 % MwSt. zzgl. Versandkosten
Ersatzteile Shimano XTR RD-M986 Schaltwerk
Lieferzeit : Artikel ist bestellt
0,00 €

inkl. 19 % MwSt. zzgl. Versandkosten
Ersatzteile Shimano Saint RD-M810 Schaltwerk
Lieferzeit : Artikel ist bestellt
0,00 €

inkl. 19 % MwSt. zzgl. Versandkosten
Ersatzteile Shimano Ultegra Di2 RX RD-RX805-GS Schaltwerk
Lieferzeit : Artikel ist bestellt
0,00 €

inkl. 19 % MwSt. zzgl. Versandkosten
Ersatzteile Shimano Deore XT SL-M8000-I Schalthebel
Lieferzeit : Artikel ist bestellt
0,00 €

inkl. 19 % MwSt. zzgl. Versandkosten
Ersatzteile Shimano Deore XT SL-M8000-B-I Schalthebel
Lieferzeit : Artikel ist bestellt
0,00 €

inkl. 19 % MwSt. zzgl. Versandkosten
Ersatzteile Shimano SLX SL-M7000 Schalthebel
Lieferzeit : Artikel ist bestellt
0,00 €

inkl. 19 % MwSt. zzgl. Versandkosten
Ersatzteile Shimano SLX SL-M7000-I Schalthebel
Lieferzeit : Artikel ist bestellt
0,00 €

inkl. 19 % MwSt. zzgl. Versandkosten
Ersatzteile Shimano SLX SL-M7000-B-I Schalthebel
Lieferzeit : Artikel ist bestellt
0,00 €

inkl. 19 % MwSt. zzgl. Versandkosten
Ersatzteile Shimano SLX SL-M7100 Schalthebel
Lieferzeit : Artikel ist bestellt
0,00 €

inkl. 19 % MwSt. zzgl. Versandkosten
Ersatzteile Shimano SLX SL-M7100-I Schalthebel
Lieferzeit : Artikel ist bestellt
0,00 €

inkl. 19 % MwSt. zzgl. Versandkosten
Ersatzteile Shimano SLX RD-M7000 Schaltwerk
Lieferzeit : Artikel ist bestellt
0,00 €

inkl. 19 % MwSt. zzgl. Versandkosten
Ersatzteile Shimano Deore XT Di2 RD-M8050 Schaltwerk
Lieferzeit : Artikel ist bestellt
0,00 €

inkl. 19 % MwSt. zzgl. Versandkosten
Shimano Schellenklemmschraube für XTR Umwerfer
Lieferzeit : Artikel ist bestellt
UVP : 1,90 € Ihr Preis 2,40 €Ersparnis - zum UVP

inkl. 19 % MwSt. zzgl. Versandkosten
Shimano Zeilzug Klemmschraube für XTR Umwerfer
Lieferzeit : Artikel ist bestellt
7,90 €

inkl. 19 % MwSt. zzgl. Versandkosten
Shimano E-Type Befestigungsplatte XTR Umwerfer 9x3 fach
Lieferzeit : Artikel ist bestellt
12,90 €

inkl. 19 % MwSt. zzgl. Versandkosten
Shimano Seilzugklemmschraube M5x9, für XTR Umwerfer 970/960 Art Y5HE98010
Lieferzeit : Artikel ist bestellt
3,90 €

inkl. 19 % MwSt. zzgl. Versandkosten
Shimano XT SLM780 Ersatzklemme + Abdeckung für ohne Ganganzeige links Nr 6
Lieferzeit : Artikel ist bestellt
12,90 €

inkl. 19 % MwSt. zzgl. Versandkosten
Shimano XT SLM780 Ersatzklemme + Abdeckung für ohne Ganganzeige rechts Nr 6
Lieferzeit : Artikel ist bestellt
12,90 €

inkl. 19 % MwSt. zzgl. Versandkosten
Shimano XT SL-M780 Ersatzklemme-Abdeckung für Ganganzeige rechts Nr 6
Lieferzeit : Artikel ist bestellt
12,90 €

inkl. 19 % MwSt. zzgl. Versandkosten
Shimano XT SL-M780 Ganganzeige links Nr 8
Lieferzeit : Artikel ist bestellt
8,95 €

inkl. 19 % MwSt. zzgl. Versandkosten
Shimano XT SL-M780 Schalthebel Ersatzteil | Schaltzug Einstellschraube links Nr 5
Lieferzeit : Artikel ist bestellt
2,95 €

inkl. 19 % MwSt. zzgl. Versandkosten
Shimano Deore XT SL-M8000-I Schalthebel Ersatzteil | Halterung rechts Nr 9
Lieferzeit : 1 - 5 Werktage
12,95 €

inkl. 19 % MwSt. zzgl. Versandkosten
Shimano Deore XT SL-M8000-I Schalthebel Ersatzteil | Halterung links Nr 9
Lieferzeit : Artikel ist bestellt
12,95 €

inkl. 19 % MwSt. zzgl. Versandkosten
Shimano Deore XT SL-M8000-I Schalthebel Ersatzteil | Schaltgriff-Einheit links Nr 1
Lieferzeit : Artikel ist bestellt
51,95 €

inkl. 19 % MwSt. zzgl. Versandkosten
Shimano Deore XT SL-M8000-I Schalthebel Ersatzteil | Schaltgriff-Einheit rechts Nr 1
Lieferzeit : Artikel ist bestellt
51,95 €

inkl. 19 % MwSt. zzgl. Versandkosten
Shimano Deore XT SL-M8000-B-I Schalthebel Ersatzteil | Schaltgriff-Einheit rechts Nr 1
Lieferzeit : Artikel ist bestellt
51,95 €

inkl. 19 % MwSt. zzgl. Versandkosten
Shimano Deore XT SL-M8000-B-I Schalthebel Ersatzteil | Schaltgriff-Einheit links Nr 1
Lieferzeit : Artikel ist bestellt
51,95 €

inkl. 19 % MwSt. zzgl. Versandkosten
Shimano E-Type Befestigungsplatte XTR-XT-SLX Umwerfer 10x3 fach
Lieferzeit : 1 - 5 Werktage
12,90 €

inkl. 19 % MwSt. zzgl. Versandkosten
Shimano E-Type Befestigungsplatte XTR-XT-SLX Umwerfer 10x2-fach
Lieferzeit : 1 - 5 Werktage
13,95 €

inkl. 19 % MwSt. zzgl. Versandkosten
Shimano E-Type Befestigungsschrauben 10-fach
Lieferzeit : 1 - 5 Werktage
9,90 €

inkl. 19 % MwSt. zzgl. Versandkosten
Shimano Deore XT Di2 SW-M8050 Schalthebel Ersatzteil | Schaltzug-Kappe Nr 1
Lieferzeit : 1 - 5 Werktage
4,95 €

inkl. 19 % MwSt. zzgl. Versandkosten
Shimano Deore XT Di2 SW-M8050 Schalthebel Ersatzteil | Schalthebel A rechts Nr 4
Lieferzeit : Artikel ist bestellt
4,95 €

inkl. 19 % MwSt. zzgl. Versandkosten
Shimano Deore XT Di2 SW-M8050 Schalthebel Ersatzteil | Schalthebel A links Nr 4
Lieferzeit : Artikel ist bestellt
4,95 €

inkl. 19 % MwSt. zzgl. Versandkosten
Shimano Deore XT Di2 SW-M8050 Schalthebel Ersatzteil | Schalthebel B rechts Nr 5
Lieferzeit : 1 - 5 Werktage
4,95 €

inkl. 19 % MwSt. zzgl. Versandkosten
Shimano Deore XT Di2 SW-M8050 Schalthebel Ersatzteil | Schalthebel B links Nr 5
Lieferzeit : Artikel ist bestellt
4,95 €

inkl. 19 % MwSt. zzgl. Versandkosten
Shimano SLX SL-M7000 Schalthebel Ersatzteil | Schalthebel-Einheit 11-fach rechts Nr 1
Lieferzeit : Artikel ist bestellt
27,95 €

inkl. 19 % MwSt. zzgl. Versandkosten
Shimano SLX SL-M7000 Schalthebel Ersatzteil | Schalthebel-Einheit 10-fach rechts Nr 1
Lieferzeit : Artikel ist bestellt
27,95 €

inkl. 19 % MwSt. zzgl. Versandkosten
Shimano SLX SL-M7000 Schalthebel Ersatzteil | Schalthebel-Einheit 2/3-fach links Nr 1
Lieferzeit : Artikel ist bestellt
27,95 €

inkl. 19 % MwSt. zzgl. Versandkosten
Shimano SLX SL-M7000 Schalthebel Ersatzteil | Gegenplatte 11-fach rechts Nr 5
Lieferzeit : Artikel ist bestellt
1,95 €

inkl. 19 % MwSt. zzgl. Versandkosten
Shimano SLX SL-M7000 Schalthebel Ersatzteil | Gegenplatte 10-fach rechts Nr 5
Lieferzeit : Artikel ist bestellt
1,95 €

inkl. 19 % MwSt. zzgl. Versandkosten
Shimano SLX SL-M7000 Schalthebel Ersatzteil | Gegenplatte 2/3-fach links Nr 5
Lieferzeit : Artikel ist bestellt
1,95 €

inkl. 19 % MwSt. zzgl. Versandkosten
Shimano SLX / XT / XTR Schalthebel Ersatzteil | Kabel-Einstellschraube rechts Nr 6
Lieferzeit : Artikel ist bestellt
4,95 €

inkl. 19 % MwSt. zzgl. Versandkosten
Shimano SLX SL-M7000 Schalthebel Ersatzteil | Ganganzeige komplett rechts Nr 9
Lieferzeit : Artikel ist bestellt
6,95 €

inkl. 19 % MwSt. zzgl. Versandkosten
Shimano SLX SL-M7000 Schalthebel Ersatzteil | Ganganzeige komplett links Nr 9
Lieferzeit : 1 - 5 Werktage
6,95 €

inkl. 19 % MwSt. zzgl. Versandkosten
Shimano SLX SL-M7000 Schalthebel Ersatzteil | Abdeckung komplett rechts Nr 10
Lieferzeit : Artikel ist bestellt
3,95 €

inkl. 19 % MwSt. zzgl. Versandkosten
Shimano SLX SL-M7000 Schalthebel Ersatzteil | Abdeckung komplett links Nr 10
Lieferzeit : Artikel ist bestellt
3,95 €

inkl. 19 % MwSt. zzgl. Versandkosten
Shimano SLX SL-M7000-I Schalthebel Ersatzteil | Schalthebel-Einheit 11-fach rechts Nr 1
Lieferzeit : Artikel ist bestellt
27,95 €

inkl. 19 % MwSt. zzgl. Versandkosten
Shimano SLX SL-M7000-I Schalthebel Ersatzteil | Schalthebel-Einheit 2/3-fach links Nr 1
Lieferzeit : Artikel ist bestellt
27,95 €

inkl. 19 % MwSt. zzgl. Versandkosten
Shimano SLX SL-M7000-I Schalthebel Ersatzteil | Halter 11-fach rechts Nr 6
Lieferzeit : Artikel ist bestellt
13,95 €

inkl. 19 % MwSt. zzgl. Versandkosten
Shimano SLX SL-M7000-I Schalthebel Ersatzteil | Halter 10-fach rechts Nr 6
Lieferzeit : 1 - 5 Werktage
13,95 €

inkl. 19 % MwSt. zzgl. Versandkosten
Shimano SLX SL-M7000-I Schalthebel Ersatzteil | Halter 2/3-fach links Nr 6
Lieferzeit : Artikel ist bestellt
13,95 €

inkl. 19 % MwSt. zzgl. Versandkosten
Shimano SLX SL-M7000-I Schalthebel Ersatzteil | Schrauben-Einheit Halter Nr 7
Lieferzeit : 1 - 5 Werktage
4,95 €

inkl. 19 % MwSt. zzgl. Versandkosten
Shimano SLX SL-M7000-B-I Schalthebel Ersatzteil | Schalthebel-Einheit 11-fach rechts Nr 1
Lieferzeit : Artikel ist bestellt
27,95 €

inkl. 19 % MwSt. zzgl. Versandkosten
Shimano SLX SL-M7000-B-I Schalthebel Ersatzteil | Schalthebel-Einheit 2/3-fach links Nr 1
Lieferzeit : Artikel ist bestellt
27,95 €

inkl. 19 % MwSt. zzgl. Versandkosten
Shimano SLX SL-M7000 Schalthebel Ersatzteil | Gehäuse unten 2/3-fach links Nr 2
Lieferzeit : 1 - 5 Werktage
4,95 €

inkl. 19 % MwSt. zzgl. Versandkosten
Shimano SLX SL-M7000-B-I Schalthebel Ersatzteil | Halterung 11-fach rechts Nr 6
Lieferzeit : Artikel ist bestellt
13,95 €

inkl. 19 % MwSt. zzgl. Versandkosten
Shimano SLX SL-M7000-B-I Schalthebel Ersatzteil | Halterung 10-fach rechts Nr 6
Lieferzeit : 1 - 5 Werktage
14,95 €

inkl. 19 % MwSt. zzgl. Versandkosten
Shimano SLX SL-M7100 Schalthebel Ersatzteil | Schalthebel-Einheit rechts Nr 1
Lieferzeit : Artikel ist bestellt
30,95 €

inkl. 19 % MwSt. zzgl. Versandkosten
Shimano SLX SL-M7100 Schalthebel Ersatzteil | Schalthebel-Einheit links Nr 1
Lieferzeit : Artikel ist bestellt
31,95 €

inkl. 19 % MwSt. zzgl. Versandkosten
Shimano SLX SL-M7100 Schalthebel Ersatzteil | Gehäuse oben rechts Nr 4
Lieferzeit : Artikel ist bestellt
3,95 €

inkl. 19 % MwSt. zzgl. Versandkosten
Shimano SLX / XT / XTR Schalthebel Ersatzteil | Kabel-Einstellschraube links
Lieferzeit : 1 - 5 Werktage
4,95 €

inkl. 19 % MwSt. zzgl. Versandkosten
Shimano SLX SL-M7100 Schalthebel Ersatzteil | Schelle Schalthebel rechts Nr 7
Lieferzeit : Artikel ist bestellt
14,95 €

inkl. 19 % MwSt. zzgl. Versandkosten
Shimano SLX SL-M7100-I Schalthebel Ersatzteil | Schalthebel-Einheit rechts Nr 1
Lieferzeit : Artikel ist bestellt
30,95 €

inkl. 19 % MwSt. zzgl. Versandkosten
Shimano SLX SL-M7100-I Schalthebel Ersatzteil | Schalthebel-Einheit links Nr 1
Lieferzeit : Artikel ist bestellt
47,95 €

inkl. 19 % MwSt. zzgl. Versandkosten
Shimano SLX SL-M7100-I Schalthebel Ersatzteil | Gehäuse oben rechts Nr 4
Lieferzeit : Artikel ist bestellt
3,95 €

inkl. 19 % MwSt. zzgl. Versandkosten
Shimano SLX SL-M7100-I Schalthebel Ersatzteil | Halter rechts Nr 7
Lieferzeit : 1 - 5 Werktage
18,95 €

inkl. 19 % MwSt. zzgl. Versandkosten
Alle Hersteller anzeigen