Menü
Ihr Warenkorb enthält die folgenden Artikel:
Anmelden Kontakt - NEU - % SALE %

Shimano Deore XT RD M8100 Schaltwerk Ersatzteil, Achseinheit für Schaltwerk Halter

Shimano Deore XT RD-M8100 Schaltwerk Ersatzteil | Achseinheit für Schaltwerk-Halter Nr 1

Shimano Deore XT RD-M8100 Schaltwerk Ersatzteil | Achseinheit für Schaltwerk-Halter Nr 1

Shimano Deore XT RD-M8100 Schaltwerk Ersatzteil | Achseinheit für Schaltwerk-Halter Nr 1

Art.Nr.: Y3FW98020, RDM8100
GTIN/EAN: 04550170530709
Lieferzeit : 3 - 5 Wochen
Preis: 13,95 €
inkl. 19 % MwSt. zzgl. Versandkosten



Shimano Deore XT RD M8100 Schaltwerk Ersatzteil, Achseinheit für Schaltwerk Halter

Shimano Deore XT RD-M8100 Schaltwerk Ersatzteil

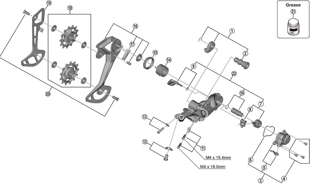
Im Lieferumfang Nr 1 der Explosionszeichnung.

Shimano Deore XT RD-M8100 Schaltwerk Ersatzteile:

  • Nr 1 : Y3FW98020 - Achseinheit Schaltwerk- Halter
  • Nr 2 : Y3FW42000 - Achse Schaltwerk- Halter
  • Nr 3 : Y3FW98030 - Gehäuse- Einheit
  • Nr 4 : Y5Y198070 - Schrauben Gehäuseabdeckung
  • Nr 5 : Y3FW98040 - Gehäuseabdeckung + Kappe
  • Nr 6 : Y3FA63000 - Dichtung
  • Nr 7: Y3GF98040 - Stabilisator- Einheit
  • Nr 8 : Y3E498040 - Nocken- Einheit
  • Nr 9 : Y3FA98040 - Schalthebel- Einheit
  • Nr 10 : Y5PV98060 - Schaltachsen- Einheit
  • Nr 11 : Y3FW98050 - Anschlagschrauben + Platte
  • Nr 12 : Y3FW98060 - Schaltzug- Klemmschraube + Platte
  • Nr 13 : Y3FW98070 - Einstellschraube Spannfeder + Platte
  • Nr 14 : Y3FA55000 - Spannfeder
  • Nr 15 : Y3FA62000 - Dichtring
  • Nr 16 : Y3FW98100 - Kettenleitblech GS aussen komplett
  • Nr 16 : Y3FW98080 - Kettenleitblech SGS aussen komplett
  • Nr 17 : Y3FW50000 - Anschlagsschutz GS/SGS
  • Nr 18 : Y3FW98010 - Schaltrollen Satz
  • Nr 19 : Y3FW16000 - Kettenleitblech GS innen
  • Nr 19 : Y3FW26000 - Kettenleitblech SGS innen
  • Nr 20 : Y3FW9809 - Schaltrollenschrauben
  • Nr 21 : Y04121000 - Spezialfett Stabilisator
  • Nr 22 : Y3FA98100 - Stabilisator- Kit- Einheit

Herstellerinformation: SHIMANO INC., 3-77 Oimatsu-cho, Sakai-ku, Sakai-shi, Osaka 590-8577, Japan, www.shimano.com | Kontakt EU: Shimano Europe BV, High Tech Campus 92, 5656 AG Eindhoven, The Netherlands, www.shimano.com


Ersatzteile Shimano Deore XT RD-M8100 Schaltwerk
Lieferzeit : Artikel ist bestellt
0,00 €

inkl. 19 % MwSt. zzgl. Versandkosten
Ersatzteile Shimano Deore XT SL-M8100 Schalthebel
Lieferzeit : Artikel ist bestellt
0,00 €

inkl. 19 % MwSt. zzgl. Versandkosten
Ersatzteile Shimano Deore XT SL-M8100-I Schalthebel
Lieferzeit : Artikel ist bestellt
0,00 €

inkl. 19 % MwSt. zzgl. Versandkosten
Ersatzteile für Shimano Deore XT BL M8100 Disc Bremsgriffe
Lieferzeit : Artikel ist bestellt
0,00 €

inkl. 19 % MwSt. zzgl. Versandkosten
Toppreis
Shimano Deore XT Schaltröllchen Set 12-fach
Lieferzeit : 1 - 5 Werktage
UVP : 16,95 € Top Preis 12,90 € Ersparnis - 4,05 € zum UVP

inkl. 19 % MwSt. zzgl. Versandkosten
Shimano Deore XT FC M8100 Kurbel Ersatzteil | Kurbelarm links 175 mm
Lieferzeit : 1 - 5 Werktage
UVP : 71,95 € 58,90 €Ersparnis - 13,05 € zum UVP

inkl. 19 % MwSt. zzgl. Versandkosten
Shimano Deore XT FC M8100 Kurbel Ersatzteil | Kurbelarm links 165 mm
Lieferzeit : Artikel ist bestellt
UVP : 71,95 € 58,90 €Ersparnis - 13,05 € zum UVP

inkl. 19 % MwSt. zzgl. Versandkosten
Shimano Deore XT FC M8100 Kurbel Ersatzteil | Kurbelarm links 170 mm
Lieferzeit : 1 - 5 Werktage
UVP : 71,95 € 58,90 €Ersparnis - 13,05 € zum UVP

inkl. 19 % MwSt. zzgl. Versandkosten
Shimano Deore XT FC M8100 Kurbel Ersatzteil | Kurbelarm links 180 mm
Lieferzeit : Artikel ist bestellt
UVP : 71,95 € 58,90 €Ersparnis - 13,05 € zum UVP

inkl. 19 % MwSt. zzgl. Versandkosten
Shimano Deore XT FC M8100 Kurbel Ersatzteil | Kurbelbefestigungs Schraube
Lieferzeit : 1 - 5 Werktage
2,95 €

inkl. 19 % MwSt. zzgl. Versandkosten
Shimano Deore XT FC M8100 Kurbel Ersatzteil | Kurbelklemmschraube 1 Stück
Lieferzeit : 1 - 5 Werktage
4,95 €

inkl. 19 % MwSt. zzgl. Versandkosten
Shimano Deore XT FC M8100 Kurbel Ersatzteil | Kurbelsicherungsscheibe
Lieferzeit : 1 - 5 Werktage
2,95 €

inkl. 19 % MwSt. zzgl. Versandkosten
Shimano Deore XT FC M8130 Kurbel Ersatzteil | Spacer T4.5
Lieferzeit : 1 - 5 Werktage
3,95 €

inkl. 19 % MwSt. zzgl. Versandkosten
Shimano Deore XT FC M8100/8120 Kurbel Ersatzteil | 12x2-fach Kettenblattschrauben 4 Stück
Lieferzeit : 1 - 5 Werktage
UVP : 16,95 € 14,90 €Ersparnis - 2,05 € zum UVP

inkl. 19 % MwSt. zzgl. Versandkosten
Shimano Entlüftungsschraube MTB Bremssattel
Lieferzeit : Artikel ist bestellt
UVP : 6,95 € 5,90 €Ersparnis - 1,05 € zum UVP

inkl. 19 % MwSt. zzgl. Versandkosten
Shimano Ersatzteil - XT Bremssattel BR-M8100 | Bremsleitungsschraube
Lieferzeit : 1 - 5 Werktage
5,95 €

inkl. 19 % MwSt. zzgl. Versandkosten
Shimano Ersatzteil - XT Bremssattel BR-M8120 | Bremsleitungsschraube
Lieferzeit : 1 - 5 Werktage
6,80 €

inkl. 19 % MwSt. zzgl. Versandkosten
Shimano Deore XT BL M8100 Bremsgriff Ersatzteil | Bremshebel rechts Nr 4
Lieferzeit : 1 - 5 Werktage
23,95 €

inkl. 19 % MwSt. zzgl. Versandkosten
Shimano Deore XT BL M8100 Bremsgriff Ersatzteil | Bremshebel links Nr 4
Lieferzeit : 1 - 5 Werktage
23,95 €

inkl. 19 % MwSt. zzgl. Versandkosten
Shimano Deore XTR / XT Bremsgriff Ersatzteil | Schraube Griffachse komplett Nr 5
Lieferzeit : 1 - 5 Werktage
3,95 €

inkl. 19 % MwSt. zzgl. Versandkosten
Shimano Deore XT BL-M8100 Bremsgriff Ersatzteil | Klemmschraube Nr 6
Lieferzeit : Artikel ist bestellt
4,95 €

inkl. 19 % MwSt. zzgl. Versandkosten
Shimano Deore XT BL M8100 Bremsgriff Ersatzteil | Abdeckung Bremsleitung Nr 7
Lieferzeit : 1 - 5 Werktage
2,95 €

inkl. 19 % MwSt. zzgl. Versandkosten
Shimano Deore XT SL-M8100 Schalthebel Ersatzteil | Schalthebel-Einheit rechts Nr 1
Lieferzeit : Artikel ist bestellt
57,95 €

inkl. 19 % MwSt. zzgl. Versandkosten
Shimano Deore XT SL-M8100 Schalthebel Ersatzteil | Schraube links Nr 7
Lieferzeit : Artikel ist bestellt
3,95 €

inkl. 19 % MwSt. zzgl. Versandkosten
Shimano Deore XT SL-M8100-I Schalthebel Ersatzteil | Schalthebel-Einheit links Nr 1
Lieferzeit : Artikel ist bestellt
60,95 €

inkl. 19 % MwSt. zzgl. Versandkosten
Shimano Deore XT SL-M8100-I Schalthebel Ersatzteil | Schrauben rechts Nr 2
Lieferzeit : 1 - 5 Werktage
4,95 €

inkl. 19 % MwSt. zzgl. Versandkosten
Shimano Deore XT SL-M8100-I Schalthebel Ersatzteil | Abdeckung rechts komplett Nr 5
Lieferzeit : Artikel ist bestellt
21,95 €

inkl. 19 % MwSt. zzgl. Versandkosten
Shimano Deore XT SL-M8100-I Schalthebel Ersatzteil | Abdeckung rechts Nr 7
Lieferzeit : Artikel ist bestellt
14,95 €

inkl. 19 % MwSt. zzgl. Versandkosten
Shimano Deore XT BL-M8100 Bremsgriff Ersatzteil | Membran Nr 9
Lieferzeit : 1 - 5 Werktage
5,95 €

inkl. 19 % MwSt. zzgl. Versandkosten
Shimano Deore XT BL-M8100 Bremsgriff Ersatzteil | Kappe Membran Nr 10
Lieferzeit : Artikel ist bestellt
4,95 €

inkl. 19 % MwSt. zzgl. Versandkosten
Shimano XT BL-M8100 / XTR BL-M9120 Disc Bremsgriff Ersatzteil | Membran-Einheit
Lieferzeit : 1 - 5 Werktage
6,95 €

inkl. 19 % MwSt. zzgl. Versandkosten
Shimano XTR / Deore XT Kassetten Ersatzteil | Micro Spline Verschlussring Nr 1
Lieferzeit : 1 - 5 Werktage
14,95 €

inkl. 19 % MwSt. zzgl. Versandkosten
Shimano XTR 12-fach CS-M9100 Kassetten Ersatzteil - Ritzel 14 Zähne Nr 4
Lieferzeit : 1 - 5 Werktage
6,95 €

inkl. 19 % MwSt. zzgl. Versandkosten
Shimano XTR 12-fach CS-M9100 Kassetten Ersatzteil - Ritzel 16 Zähne Nr 5
Lieferzeit : Artikel ist bestellt
8,95 €

inkl. 19 % MwSt. zzgl. Versandkosten
Shimano XTR 12-fach CS M9100 Kassetten Ersatzteil - Unterlegscheibe Nr 9
Lieferzeit : 1 - 5 Werktage
1,95 €

inkl. 19 % MwSt. zzgl. Versandkosten
Toppreis
Shimano Deore XT RD-M8100 Schaltwerk Ersatzteil | Kettenleitblech SGS innen Nr 19
Lieferzeit : 1 - 5 Werktage
UVP : 9,95 € Top Preis 8,90 € Ersparnis - 1,05 € zum UVP

inkl. 19 % MwSt. zzgl. Versandkosten
Toppreis
Shimano Deore XT RD-M8100 Schaltwerk Ersatzteil | Kettenleitblech SGS aussen komplett Nr 16
Lieferzeit : 1 - 5 Werktage
UVP : 17,95 € Top Preis 14,90 € Ersparnis - 3,05 € zum UVP

inkl. 19 % MwSt. zzgl. Versandkosten
Shimano Deore XT / SLX Schaltwerk Ersatzteil | Anschlagschrauben + Platte Nr 11
Lieferzeit : 1 - 5 Werktage
4,95 €

inkl. 19 % MwSt. zzgl. Versandkosten
Shimano Deore XT RD-M8100 Schaltwerk Ersatzteil | Gehäuseabdeckung + Kappe Nr 5
Lieferzeit : 1 - 5 Werktage
4,95 €

inkl. 19 % MwSt. zzgl. Versandkosten
Shimano Deore XT RD-M8100 Schaltwerk Ersatzteil | Gehäuse-Einheit Nr 3
Lieferzeit : 1 - 5 Werktage
6,95 €

inkl. 19 % MwSt. zzgl. Versandkosten
Shimano Deore XT RD-M8100 Schaltwerk Ersatzteil | Anschlagsschutz GS / SGS Nr 17
Lieferzeit : 1 - 5 Werktage
1,95 €

inkl. 19 % MwSt. zzgl. Versandkosten
Shimano Deore XT RD-M8100 Schaltwerk Ersatzteil | Kettenleitblech GS innen Nr 19
Lieferzeit : 1 - 5 Werktage
9,95 €

inkl. 19 % MwSt. zzgl. Versandkosten
Shimano Deore XT FD-M8000 Umwerfer Ersatzteil | Gummi Pad Nr 3
Lieferzeit : Artikel ist bestellt
2,95 €

inkl. 19 % MwSt. zzgl. Versandkosten
Shimano Deore XT FD-M8000 Umwerfer Ersatzteil | Schellenadapter M-Size Nr 5
Lieferzeit : Artikel ist bestellt
4,95 €

inkl. 19 % MwSt. zzgl. Versandkosten
Shimano Deore XT FD-M8000 Umwerfer Ersatzteil | Klemmschraube Nr 6
Lieferzeit : Artikel ist bestellt
2,95 €

inkl. 19 % MwSt. zzgl. Versandkosten
Shimano XT SM-BH90-SBLS Scheibenbremsleitung 100 cm schwarz 90 Grad Banjo silber
Lieferzeit : Artikel ist bestellt
UVP : 34,95 € 26,90 €Ersparnis - 8,05 € zum UVP

inkl. 19 % MwSt. zzgl. Versandkosten
Shimano XT SM-BH90-SBLS Scheibenbremsleitung 170 cm schwarz 90 Grad Banjo silber
Lieferzeit : Artikel ist bestellt
UVP : 40,95 € 32,90 €Ersparnis - 8,05 € zum UVP

inkl. 19 % MwSt. zzgl. Versandkosten
Shimano XT SM-BH90-SBLS Scheibenbremsleitung 170 cm schwarz 90 Grad Banjo schwarz
Lieferzeit : 1 - 5 Werktage
UVP : 33,95 € 24,90 €Ersparnis - 9,05 € zum UVP

inkl. 19 % MwSt. zzgl. Versandkosten
Shimano XT SM-BH90-SBLS Scheibenbremsleitung 100 cm schwarz 90 Grad Banjo schwarz
Lieferzeit : Artikel ist bestellt
UVP : 26,95 € 19,90 €Ersparnis - 7,05 € zum UVP

inkl. 19 % MwSt. zzgl. Versandkosten
Shimano Verschluss - Gummikappe für Entlüftungsschraube am Disc Bremssattel
Lieferzeit : Artikel ist bestellt
4,95 €

inkl. 19 % MwSt. zzgl. Versandkosten
Alle Hersteller anzeigen