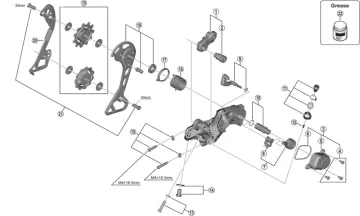
Shimano GRX RD RX812 Schaltwerk Ersatzteil, Schalt-Gehäuse komplett

Shimano GRX RD-RX812 Schaltwerk Ersatzteil | Schalt-Gehäuse komplett Nr 3

Shimano GRX RD-RX812 Schaltwerk Ersatzteil | Schalt-Gehäuse komplett Nr 3

Shimano GRX RD-RX812 Schaltwerk Ersatzteil | Schalt-Gehäuse komplett Nr 3

Art.Nr.: Y3GF98010, RDRX812
GTIN/EAN: 04550170584740
Lieferzeit : Artikel ist bestellt
Preis: 4,95 €
inkl. 19 % MwSt. zzgl. Versandkosten



Shimano GRX RD RX812 Schaltwerk Ersatzteil, Schalt-Gehäuse komplett

Ersatzteil Shimano GRX RD-RX812

Im Lieferumfang Nr 3 der Explosionszeichnung.

Shimano GRX RD-RX812 11-fach Schaltwerk Ersatzteile:

  • Nr 1 : Y3E998020 - Achseinheit für Schaltwerk-Halter
  • Nr 2 : Y3E958000 - Achse für Schaltwerk-Halter Direct Mount
  • Nr 3 : Y3GF98010 - Schalt-Gehäuse komplett
  • Nr 4 : Y5Y198070 - Schrauben für Schalt-Gehäuse
  • Nr 5 : Y3GF41000 - Schalt-Gehäuse
  • Nr 6 : Y5RT16000 - Dichtung für Schalt-Gehäuse
  • Nr 7 : Y3GF98040 - Stabilisator-Einheit
  • Nr 8 : Y3E498040 - Nocken-Einheit
  • Nr 9 : Y5YX98040 - Schalthebel-Einheit
  • Nr 10 : Y5PV98060 - Schaltachsen-Einheit
  • Nr 11 : Y3E998030 - Schaltzug-Einstellschaube komplett
  • Nr 12 : Y5PV48000 - Nase für Schaltzug-Einstellschaube
  • Nr 13 : Y3E998040 - Einstellschraube komplett für Achseinheit
  • Nr 14 : Y3GF98020 - Schaltzug-Klemmschraube komplett
  • Nr 15 : Y5YX98060 - Anschlagschrauben komplett
  • Nr 16 : Y5PV17000 - Spannfeder
  • Nr 17 : Y5PV24000 - Dichtung für Spannfeder
  • Nr 18 : Y3GF98030 - Kettenleitblech aussen komplett
  • Nr 19 : Y3E998010 - Schaltrollen Satz
  • Nr 20 : Y5RT09000 - Kettenleitblech innen
  • Nr 21 : Y3GE98050 - Schaltrollenschrauben
  • Nr 22 : Y04121000 - Spezialfett für Stabilisator

Herstellerinformation: SHIMANO INC., 3-77 Oimatsu-cho, Sakai-ku, Sakai-shi, Osaka 590-8577, Japan, www.shimano.com | Kontakt EU: Shimano Europe BV, High Tech Campus 92, 5656 AG Eindhoven, The Netherlands, www.shimano.com


Ersatzteile Shimano GRX Di2 RD-RX815 Schaltwerk
Lieferzeit : Artikel ist bestellt
0,00 €

inkl. 19 % MwSt. zzgl. Versandkosten
Ersatzteile Shimano GRX RD-RX810 Schaltwerk
Lieferzeit : Artikel ist bestellt
0,00 €

inkl. 19 % MwSt. zzgl. Versandkosten
Ersatzteile Shimano GRX RD-RX812 Schaltwerk
Lieferzeit : Artikel ist bestellt
0,00 €

inkl. 19 % MwSt. zzgl. Versandkosten
Ersatzteile Shimano GRX Di2 RD-RX817 Schaltwerk
Lieferzeit : Artikel ist bestellt
0,00 €

inkl. 19 % MwSt. zzgl. Versandkosten
Ersatzteile Shimano GRX ST-RX400 Schalt-Bremshebel
Lieferzeit : Artikel ist bestellt
0,00 €

inkl. 19 % MwSt. zzgl. Versandkosten
Ersatzteile Shimano GRX ST-RX600 Schalt-Bremshebel
Lieferzeit : Artikel ist bestellt
0,00 €

inkl. 19 % MwSt. zzgl. Versandkosten
Ersatzteile Shimano GRX ST-RX810 Schalt-Bremshebel
Lieferzeit : Artikel ist bestellt
0,00 €

inkl. 19 % MwSt. zzgl. Versandkosten
Ersatzteile Shimano GRX ST-RX810-LA Schalt-Bremshebel
Lieferzeit : Artikel ist bestellt
0,00 €

inkl. 19 % MwSt. zzgl. Versandkosten
Ersatzteile Shimano GRX Di2 ST-RX815 Schalt-Bremshebel
Lieferzeit : Artikel ist bestellt
0,00 €

inkl. 19 % MwSt. zzgl. Versandkosten
Ersatzteile Shimano GRX FD-RX400 Umwerfer
Lieferzeit : Artikel ist bestellt
0,00 €

inkl. 19 % MwSt. zzgl. Versandkosten
Ersatzteile Shimano GRX FD-RX810 Umwerfer
Lieferzeit : Artikel ist bestellt
0,00 €

inkl. 19 % MwSt. zzgl. Versandkosten
Ersatzteile Shimano GRX Di2 FD-RX815 Umwerfer
Lieferzeit : Artikel ist bestellt
0,00 €

inkl. 19 % MwSt. zzgl. Versandkosten
Shimano GRX / Ultegra Schaltwerk Ersatzteil | Achse für Schaltwerk- Halter
Lieferzeit : Artikel ist bestellt
7,95 €

inkl. 19 % MwSt. zzgl. Versandkosten
Shimano GRX Di2 RD-RX815 Schaltwerk Ersatzteil | Schalt- Gehäuse Nr 5
Lieferzeit : Artikel ist bestellt
3,95 €

inkl. 19 % MwSt. zzgl. Versandkosten
Shimano GRX / Ultegra Schaltwerk Ersatzteil | Stabilisator- Einheit Nr 7
Lieferzeit : Artikel ist bestellt
10,95 €

inkl. 19 % MwSt. zzgl. Versandkosten
Shimano GRX Di2 RD-RX815 Schaltwerk Ersatzteil | Nocken- Einheit Nr 8
Lieferzeit : Artikel ist bestellt
4,95 €

inkl. 19 % MwSt. zzgl. Versandkosten
Shimano GRX Di2 RD-RX815 Schaltwerk Ersatzteil | Stellhebel- Einheit Nr 10
Lieferzeit : 1 - 5 Werktage
2,95 €

inkl. 19 % MwSt. zzgl. Versandkosten
Shimano GRX Di2 RD-RX815 Schaltwerk Ersatzteil | Kettenleitblech GS aussen komplett Nr 15
Lieferzeit : Artikel ist bestellt
30,95 €

inkl. 19 % MwSt. zzgl. Versandkosten
Shimano GRX RD-RX810 Schaltwerk Ersatzteil | Schalt-Gehäuse Nr 5
Lieferzeit : Artikel ist bestellt
3,95 €

inkl. 19 % MwSt. zzgl. Versandkosten
Shimano GRX RD-RX810 Schaltwerk Ersatzteil | Nocken-Einheit Nr 8
Lieferzeit : Artikel ist bestellt
4,95 €

inkl. 19 % MwSt. zzgl. Versandkosten
Shimano GRX RD-RX810 Schaltwerk Ersatzteil | Stellhebel-Einheit Nr 10
Lieferzeit : Artikel ist bestellt
2,95 €

inkl. 19 % MwSt. zzgl. Versandkosten
Shimano GRX Ultregra 11-fach Schaltwerk Ersatzteil | Einstellschraube + Platte
Lieferzeit : Artikel ist bestellt
4,95 €

inkl. 19 % MwSt. zzgl. Versandkosten
Shimano GRX RD-RX812 Schaltwerk Ersatzteil | Schalt-Gehäuse Nr 5
Lieferzeit : 1 - 5 Werktage
3,95 €

inkl. 19 % MwSt. zzgl. Versandkosten
Shimano GRX RD-RX812 Schaltwerk Ersatzteil | Schaltzug-Klemmschraube komplett Nr 14
Lieferzeit : Artikel ist bestellt
3,95 €

inkl. 19 % MwSt. zzgl. Versandkosten
Shimano GRX / SLX Schaltwerk Ersatzteil | Anschlagschrauben komplett
Lieferzeit : Artikel ist bestellt
4,95 €

inkl. 19 % MwSt. zzgl. Versandkosten
Shimano GRX Di2 RD-RX817 Schaltwerk Ersatzteil | Schalt-Gehäuse komplett Nr 3
Lieferzeit : Artikel ist bestellt
11,95 €

inkl. 19 % MwSt. zzgl. Versandkosten
Shimano GRX Di2 RD-RX817 Schaltwerk Ersatzteil | Schalt-Gehäuse + Kappe Nr 5
Lieferzeit : Artikel ist bestellt
7,95 €

inkl. 19 % MwSt. zzgl. Versandkosten
Shimano GRX Di2 RD-RX817 Schaltwerk Ersatzteil | Stabilisator-Einheit Nr 7
Lieferzeit : Artikel ist bestellt
29,95 €

inkl. 19 % MwSt. zzgl. Versandkosten
Shimano GRX Di2 RD-RX817 Schaltwerk Ersatzteil | Nocken-Einheit Nr 8
Lieferzeit : Artikel ist bestellt
20,95 €

inkl. 19 % MwSt. zzgl. Versandkosten
Shimano GRX Di2 RD-RX817 Schaltwerk Ersatzteil | Stellhebel-Einheit Nr 9
Lieferzeit : 1 - 5 Werktage
10,95 €

inkl. 19 % MwSt. zzgl. Versandkosten
Shimano GRX Di2 RD-RX817 Schaltwerk Ersatzteil | Schaltachsen-Einheit Nr 10
Lieferzeit : Artikel ist bestellt
9,95 €

inkl. 19 % MwSt. zzgl. Versandkosten
Shimano Di2 Schaltwerk 11-fach Ersatzteil | Spannfeder
Lieferzeit : Artikel ist bestellt
4,95 €

inkl. 19 % MwSt. zzgl. Versandkosten
Shimano GRX Di2 RD-RX817 Schaltwerk Ersatzteil | Kettenleitblech aussen komplett Nr 16
Lieferzeit : Artikel ist bestellt
24,95 €

inkl. 19 % MwSt. zzgl. Versandkosten
Shimano GRX Di2 RD-RX817 Schaltwerk Ersatzteil | Kettenleitblech innen Nr 18
Lieferzeit : 1 - 5 Werktage
14,95 €

inkl. 19 % MwSt. zzgl. Versandkosten
Shimano GRX ST-RX810 Schalt-Bremshebel Ersatzteil | Griffgummi Paar Nr 8
Lieferzeit : 1 - 5 Werktage
11,95 €

inkl. 19 % MwSt. zzgl. Versandkosten
Shimano GRX Di2 ST-RX815 Schalt-Bremshebel Ersatzteil | Schellen-Einheit Nr 1
Lieferzeit : Artikel ist bestellt
9,95 €

inkl. 19 % MwSt. zzgl. Versandkosten
Shimano GRX Di2 ST-RX815 Schalt-Bremshebel Ersatzteil | Griffgummi Paar Nr 5
Lieferzeit : Artikel ist bestellt
11,95 €

inkl. 19 % MwSt. zzgl. Versandkosten
Shimano Ultregra FR-R8000 / GRX FD-RX810 Umwerfer Ersatzteil | Schaltzug- Einheit Nr 2
Lieferzeit : Artikel ist bestellt
7,95 €

inkl. 19 % MwSt. zzgl. Versandkosten
Alle Hersteller anzeigen