Zeitfahr Montagegruppe Shimano Ultegra 12 fach Di2 R8150 / R8060
Die Shimano Ultegra R8100 Di2 Time Trial und Triathlon Schalt- und Antriebsgruppe für klassische Rahmen mit Felgenbremsen mit den Zeitfahr Schaltbremshebel ST-R80180 und optional den Dura Ace Lenkerend Schalthebeln SW-R9160
Bei den 12 fach Di2 Ultegra Zeitfahr-Komponenten werden die 11 fach Di2 TT Schalthebel verwendet, diese haben keine Wireless Schnittstelle und werden per Kabel angeschlossen. Damit diese auch 12 fach funktioneren, müssen alle Di2 Komponenten das neueste Frimware Update erhalten. Dieses ist nach der Montage mittels der Shimano App und Handy, Tablet, PC oder Diagnose Gerät SMPCE02B möglich. Optional führen wir dieses Update auch durch.
Lieferumfang Shimano Ultegra R8170 Di2 TT Antriebs- und Schaltgruppe:
- Shimano Ultegra Di2 Schaltwerk, RD-R8150
- Shimano Ultegra Di2 Umwerfer, FD-R8150
- optional Umwerferschelle für 34,9 und 31,8 mm, SM-AD91
- Shimano Ultegra Di2 STI, Dualcontrol TT Schaltbremshebel, 12/2 fach, ST-R8080
- Shimano Di2 Kabelsatz, : 3 Kabel EW-SD300, 1 Kabel EW-SD50, 1 Y-Kabel EW-JC300
- Shimano Junction Port, SM-JC41
- SD50-SD300 Adapter, EW-AD305
- Shimano Di2 Batterie, intern rund, BT-DN300
- Shimano Bremsleitungen Aussenhülle und Innenzüge
- Shimano Ultegra Kurbelgarnitur, 160-175 mm Länge, 52/36 oder 50/34 Zähne, FC-R8100
- Shimano Ultegra Kassette, in 2 Abstufungen, CS-R8100
- Shimano Kette, CN-M8100
- optional Shimano Dura Ace Di2 Lenkerend Schalthebel, 12/2 fach, SW-R9160
- optional Ladekabel
- optional Shimano Ultegra Innenlager, SMBBR60 BSA oder Italienisches Gewinde oder Pressfit BB86, oder Wheels MFG Innenlager für BB30, Pressfit30, BBright oder BB386 Tretlagergehäuse
- optional Lenkerenschalthebel 12/2fach, SW-R9160
- optional Shimano Ultegra Bremsen BRR8100 oder BRR8110
- optional Ladekabel
- optional Firmware Update
Shimano Di2 12 fach TT Montage:
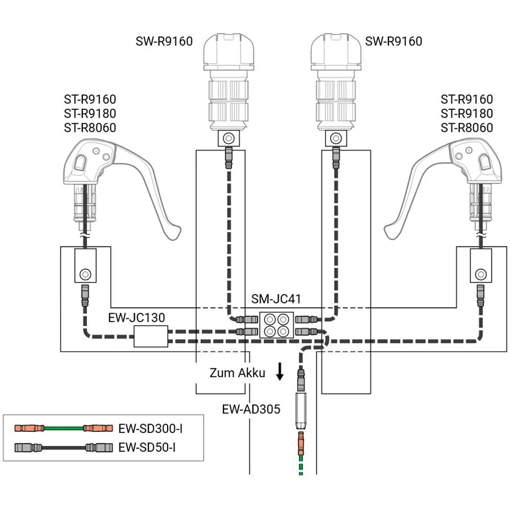
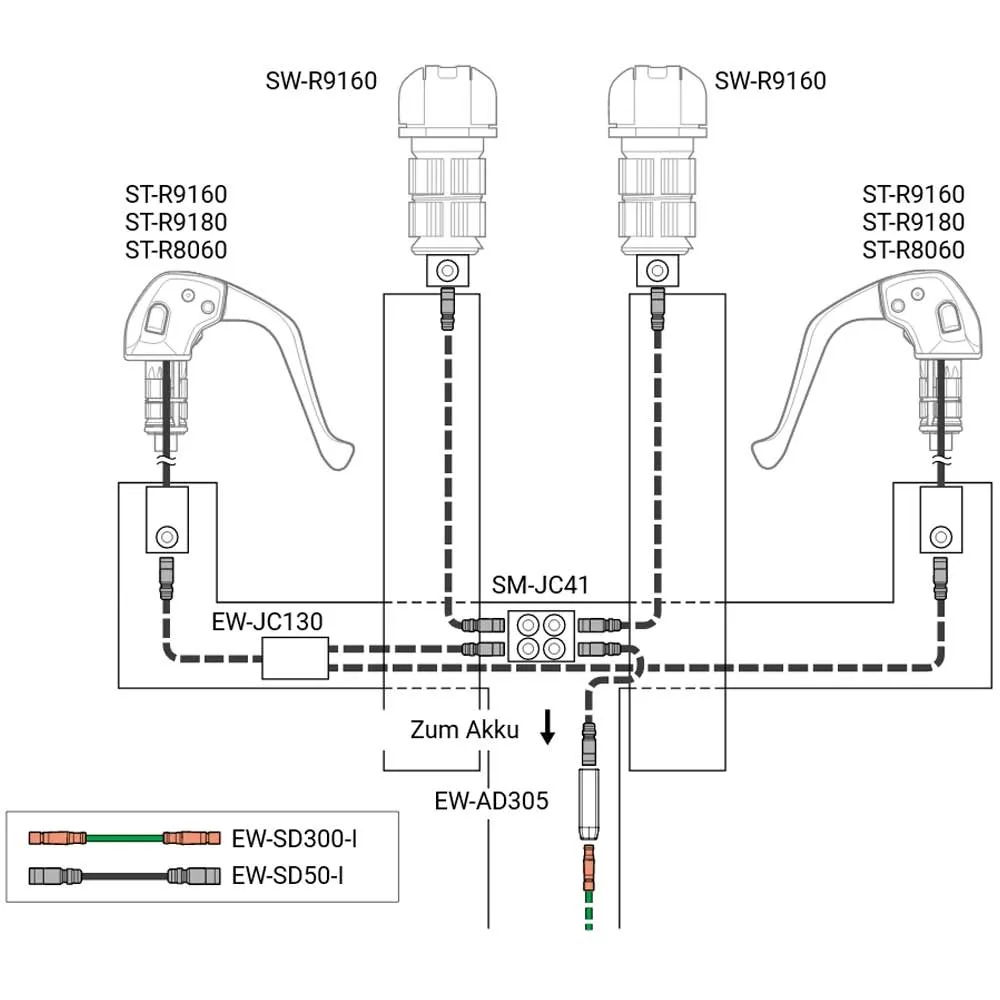
Die TT Di2 Schalthebel werden mittels des Y Kables EW-JC130 mit der Verteilerbox SM-JC41 verbunden. Vom Port SM-JC41 geht das EW-SD50 Kabel zum Verbinder EW-AD305. Von dem Verteiler EW-AD305 geht dann das Kabel EW-SD300 zur Batterie. Ausserdem werden für Schaltwerk 120 cm und Umwerfer 60 cm noch ein Kabel zur Stromversorgung benötigt..
Shimano Schaltwerk Ultegra RD-R8150 Di2
Das neue Ultegra Schaltwerk ist das Herzstück der neuen 12 fach Di2 Komponenten. Dieses sorgt für die Wireless Funktion und Anbindung externer Komponeten und beinhaltet auch den Ladeanschluss. Zudem ist im Schaltwerk der Transmitter für die drahtlose Kommunikation mit den STI-Schaltern und anderen externen Geräten, auch von Drittanbietern. Darüber hinaus befinden sich hier die Status-LED sowie der Einstell-Knopf, mit dem beispielsweise die Synchro-Shift-Modi gewechselt werden.
Präzise, blitzschnelle Schaltvorgänge auf Knopfdruck und dies in jeder Situation. Das Shimano Ultegra Di2 RD R8150 Schaltwerk zeigt sich noch kompakter und leichter als sein Vorgänger und weist die E-Tube-Anschlüsse für eine denkbar einfache Montage auf. Ausgestattet mit eimem Crash-Mechanismus, der bei starken äusseren Kräften die Verbindung zum Motor trennt, um Beschädigungen zu vermeiden.
Shimano Umwerfer Ultegra FD-R8150 Di2
Leichter schneller und aerodynamischer: Der Ultegra 12 fach Di2 Umwerfer. Ausgelegt für Kettenblattgrössen von 50/34 bis 54/40 Zahnen arbeitet der neue 12 fach Ultegra Di2 Umwerfer noch schneller und präziser. Kompakter und schneller als jemals zuvor, bietet der Ultegra R8150 Umwerfer Schaltvorgänge mit digitaler Präzision in allen Bedingungen. Durch die Kombination der neuen Di2-Plattform von Shimano mit der Rennradversion von Hyperglide+, schaltet der Ultegra R8150 Umwerfer so schnell und nahtlos zwischen den Kettenblättern wie kein anderes Modell am Markt.
Shimano Di2 ST-R8060 Ultegra Schalt-Bremshebel:
Die Bremshebel sind aus Verbundwerkstoffen und die mechanischen Schaltungsbauteile fallen weg, so kann bei den ST-R8060 Schaltbremhebeln deutlich Gewicht gespart werden. Ausgestattet mit der programmierbaren Syncro Shift Funktion können die Schalthebel ganz auf Ihre persönlichen Wunsch programiert werden. Die neuen Triatlon und Zeitfahr Schalthebel sind mit nur noch jeweils einer programmierbaren Taste ausgestattet. Die Programierung erfolgt ab einfach über das Tablet, Smratphone oder Computer.
Shimano Di2 STI SW-R9160 TT Lenkerend Schalthebel:
Der elektronischen Shimano Zeitfahrschalthebel für das Di2 System. Die Di2 Schalthebel SW-RW9160 werden in die Lenkerenden der Zeitfahraufsätze montiert. Optional kann noch der Zweitschalthebel SW-R9150 montiert werden, sodas in jeder Fahrsituation schnell und ohne umgreifen die hinteren Gänge gewechselt werden können.Die SW-R9160 Di2 Schalthebel mit den ein Tasten Design bieten die Möglichkiet Umwerfer und Schaltwerk in der Aero Position zu bedienen
Synchro-Shift Technologie
Die Synchro-Shift Technologie vereinfacht das Schalten immens und reduziert die Menge der Entscheidungsprozesse, die während der Fahrt ablaufen, deutlich. Gerade in entscheidenden Rennsituationen oder wenn am Anschlag gefahren wird, haben die Fahrer neben der körperlichen Beanspruchung oft eine Vielzahl von Entscheidungsprozessen zu absolvieren, die dann häufig gestört sind und zu Fehlentscheidungen führen. Je weniger Entscheidungsprozesse anstehen, desto bessere Entscheidungen werden getroffen und desto mehr Aufmerksamkeit bleibt beim Renngeschehen. Genau dies ermöglicht die Shimano Synchro-Shift Technologie, die immer die optimale nächstgrössere oder nächstkleinere Übersetzungskombination wählt, unabhängig davon, ob hierfür am Schaltwerk und/oder am Umwerfer geschalten werden muss.
Shimano Synchro-Shift Funktionen
- Full Synchro-Shift: Der Umwerfer reagiert auf die Schaltvorgänge, die der Fahrer am Schaltwerk vornimmt. Im Wesentlichen bedeutet dies, dass lediglich ein Schalthebel mit zwei Schaltern nötig ist, um Schaltwerk und Umwerfer zu schalten.
- Semi Synchro-Shift: Das Schaltwerk reagiert auf die Schaltvorgänge, die der Fahrer am Umwerfer vornimmt. Dabei sorgt das Schaltwerk automatisch für die notwendigen Ausgleichschaltung.
Shimano Ultegra Kurbel FC-R8100:
Hohlgeschmiedetet Kettenblätter, dünnwandige hohlgeschmiedete Kurbelarme und Reduzierung der Aussenfläche senken das Gewicht der neuen Ultegra 12 fach Kurbelgarnitur FCR 8100 Das Design der 2x11-fach Hollowtech II Kurbelgarnitur sorgt für eine gesteigerte Performance. Als ein zentraler Baustein in Shimanos neuem 12-fach Ultegra Serie zeichnet sich die FC-R8100 Kurbelgarnitur durch die Shimano typische Schaltqualität und Übertragungseffizienz aus. Überarbeitet für nahtlose 12-fach-Schaltfunktion, ist die Ultegra Kurbelgarnitur in Längen von 160 bis 175 mm erhältlich. Dies bedeutet mehr Leistung und verbesserte Anpassungsmöglichkeiten für kleinere Fahrer, Triathleten und Fahrer mit besonderen biomechanischen Anforderungen.
optionale Innenlager:
Wir bieten zu der Shimano Ultegra R8150 Di2 Gruppe optional Innenlager von Shimano, Wheels Manufactoring und FSA an. Damit kann die Kurbel in alle gänigen Tretlagergehäuse montiert werden.
Felgenbremsen Shimano BR R8100 oder BR-R8110:
Die formschöne Felgenbremse der R8100-Serie mit ihrem leichten Zweigelenk-Bremskörper bietet maximale Präzision für bessere Kontrolle und mehr Zuverlässigkeit im Rennen. Dank des zusätzlichen Verstärkungsbooster bieten die Ultegra BR-R8100 Bremsen eine bisher nicht gekannte Verwindungssteifigkeit. Die Felgenbremse lässt sich dank problemlosem Werkzeugzugang und der Möglichkeit schneller Laufradwechsel einfach einstellen und warten.
Bei den Direkt Montage Bremsen wird die Bremse mit 2 Schrauben am Rahmen bzw. Gabel montiert. Diese Schrauben sitzen direkt in den Drehpunkten der Bremse. Das erhöht die Steifigkeit und damit die Bremswirkung. Bitte Ihre Rahmenspezifikationen beachten. Für die Direktmontage der Bremsen benötigen Rahmen oder Gabel jeweils 2 Gewindebohrungen zur Montage der Bremsen.
Kassette Shimano CS-R8100 Di2 12 fach:
Die Shimano Ultegra Kassette CSR8100 mit den zwei grossen Ritzelblöcken auf Aluminium Spider bieten die überragenden weiche Schaltperformance von Shimano bei geringem Gewicht und langer Haltbarkeit. Shimano bietet für diese Kassetten Ersatzritzel an. So kann, wenn nur einige verschlissen sind, diese preisgünstig ausgetauscht werden.
Die 12 fach Kassetten sind mit den neuen HG12 auch mit den bisherigen HG11 Freilaufkörpern kompatibel. Die neuen 12 fach Freilaufkörper haben eine feinere Verzahnung. Dieses erlaubt eine deutlich bessere Verbindung zwischen Kassette und Freilaufkörper.
Kette Shimano CN-M8100:
Die Shimano Kette zu den 12 fach Rennrad und MTB Schaltungen. Die speziellen asymmetrische Aussen- und Innenlaschen und Shimanos SIL-TEC Oberflächenbeschichtung wird die Reibung minimiert, die Leistung optimiert und zudem die Schmutzanhaftung verringert.
Die Kette ist perfekt abgestimmt auf die 12 fach Shimano Kettenblättern mit dem Dynamic Chain Engagement+, DCE+ Zahnprofilen. Die HG plus Kette wurde ganz neu entwickelt und hat noch feinere, präzisionsgefertigte Kontaktflächen zu den Ritzeln und Kettenblättern, insbesondere an den Innenlaschen. Zudem sind die Innenlaschen chromiert und damit noch haltbarer bei zugleich hervorragender Schaltperformance beim Hoch- wie beim Herunterschalten.
Kompatibele Tretlagergehäuse - Innenlager
Mittlerweile gibt es unterschiedlichste Tretlagergehäuse bei den modernen Rahmen. Shimano bietet nur für einige passende Innenlager an. Wir liefern, damit die Ultegera Gruppe an alle Rahmen passt optional FSA oder Wheels MFG Innenlager für die Tretlagergehäuse, für die Shimano keine Innenlager anbietet. Die Wheels Outboard Innenlager sind deutlich haltbarer als normale Einpresslager, sodass die Lagerschalen gegeneinander Verschraubt werden und somit fest im Rahmen sitzen. Die Wheels Lager gibt es mit unterschiedlichen Lagerqualitäten ABEC3 Standardlager, Angular Contact Lager und Ceramic Lager.
- Gehäuse BSA Gewinde, Einbaubreite 68 mm
Innenlager Shimano Dura Ace SM-BBR60B - Gehäuse ITA Gewinde, Einbaubreite 70 mm
Innenlager Shimano Dura Ace SM-BBR60I - Gehäuse Pressfit BB86, Einbaubreite 86,5 mm Einpressmass 41 mm
Innenlager Shimano SM-BB71-41B oder
Innenlager Wheels MFG Outboard BB86-OUT - Gehäuse BB30, Einbaubreite 68 mm Einpressmass 42 mm
Innenlager Wheels MFG Outboard BB30-OUT - Gehäuse Pressfit 30, Einbaubreite 68 mm Einpressmass 46 mm
Innenlager Wheels MFG Outboard PF30-OUT - Gehäuse BBRight, Einbaubreite 79 mm Einpressmass 46 mm
Innenlager Wheels MFG Outboard BBRIGHT-OUT - Gehäuse BB386, Einbaubreite 86,5 mm Einpressmass 46 mm
Innenlager Wheels MFG Outboard 386EVO + 386EVO-SHI - Gehäuse Trek BB90 Einbaubreite 90 mm Einpressmass 41 mm
Innenlager FSA 230-600
Herstellerinformation: SHIMANO INC., 3-77 Oimatsu-cho, Sakai-ku, Sakai-shi, Osaka 590-8577, Japan, www.shimano.com | Kontakt EU: Shimano Europe BV, High Tech Campus 92, 5656 AG Eindhoven, The Netherlands, www.shimano.com